项目(Item) | 说明(Specifications) |
步距角(Step Angle) | 1.8° |
步距角精度(Step Angle Accuracy) | ±5% (整步无负载,full step, no load) |
径向间隙( Radial Play) | 0.02mm@450 g |
轴向间隙( Axial Play) | 0.08mm@450 g |
最大径向负载(Max. radial force) | 28N 距法兰20mm (20mm from the flange) |
最大轴向负载(Max. axial force) | 10N |
介电强度(Dielectric Strength) | 600VAC / 1s |
绝缘电阻(Insulation Resistance) | 100MΩ ,500VDC |
环境温度(Ambient Temperature) | -20。C~+50。C |
绝缘等级(Insulation Class) | Class B |
型号(Model No.) | Current /Phase 每相 电流 | Resistance /Phase 每相 电阻 | Inductance /Phase 每相 电感 | Holding Torque 保持 转矩 | Detent Torque 定位 转矩 | # of Leads 引出 线数 | Rotor Inertia 转动 惯量 | Weight 重量 | Length 机身 长度 |
Single shaft (单出轴) | A | Ω | mH | N.m | N.m | # | g-cm2 | kg | mm |
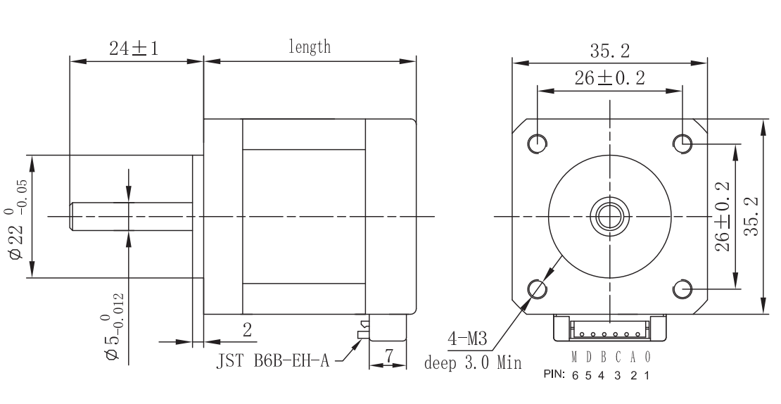
FL35STC38-1204AC | 1.2 | 2.7 | 4.2 | 0.18 | 0.018 | 4 | 20 | 0.21 | 38±1 |
FL35STC44-1204AC | 1.2 | 3.2 | 5.2 | 0.28 | 0.02 | 4 | 28 | 0.23 | 44±1 |
该款电机可以根据客户需求定制。
The motor can be designed &manufactured with customized request.



Copyright 2023 版权所有 江苏富兴电机技术股份有限公司