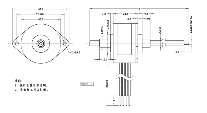
1、技术规格:
机座号(mm) | 46 | ||
绕组类型 | 单\双极性 | ||
电机方式 | 贯通\外驱 | ||
步距角 | 度 | 7.5 | |
工作电压 | V | 5 | 12 |
每相电流 | mA | 1000 | 410 |
每相电阻 | Ω | 5 | 29 |
每相电感 | mH | 9 | 52 |
步长 | mm | 0.0127 | |
0.0254 | |||
0.0508 | |||
注:参数可以根据客户要求订制。可选丝杆直径① 6.35 ② 4.77(mm),可选导程① 0.6096、1.0、1.2192、1.27、2.4384、2.54、4.0、8.0......(mm);② 0.635、1.27、2.54、5.08、10.16 ......(mm)。步长=(步距角度/360)*导程(mm)
2、步进速度与推力曲线:


1、贯通轴式
Copyright 2023 版权所有 江苏富兴电机技术股份有限公司