
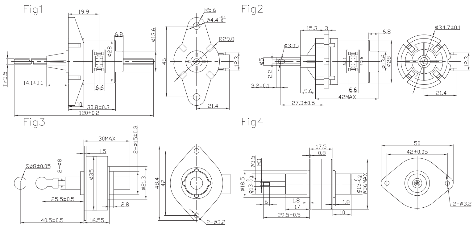
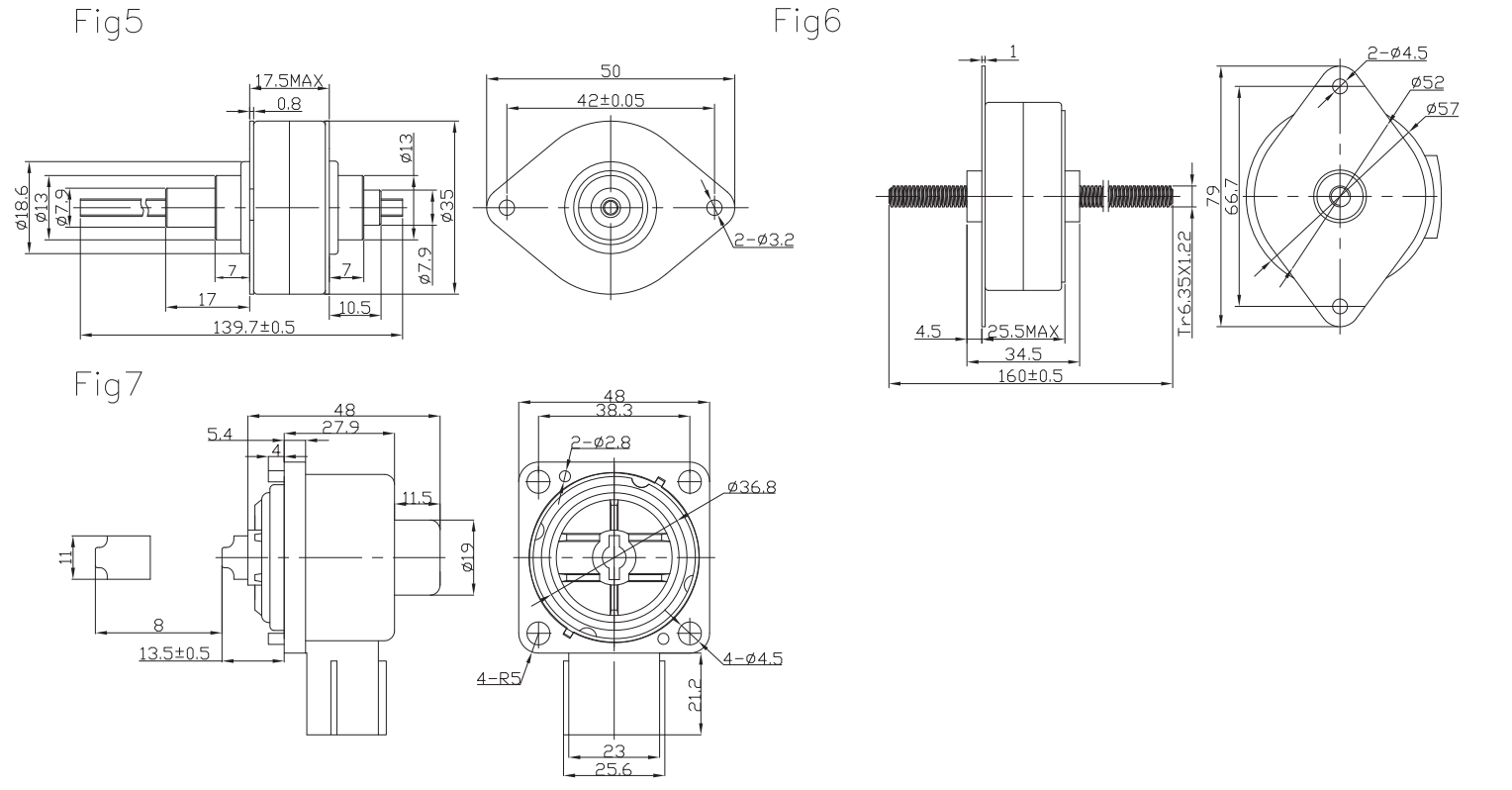
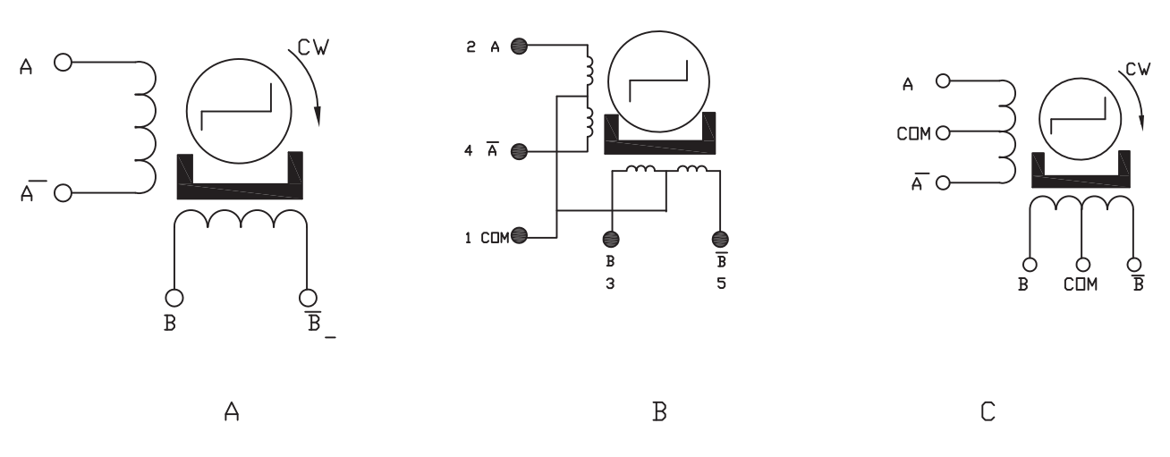
型号 Model | 步距角 Step Angle (Deg.) | 相数 No.of Phase | 电压 Voltage(V) | 电流 Current (A) | 电阻 Resistance (Ω) | 电感 Inductance (mH) | 步长 Step Avail (mm) | 推拉力 Push/Pull Torque (N) | 行程 Journey (mm) | 引出线 Leads | 接线图 Wdg | 外形图 Fig |
28BYZ-09 | 15 | 2 | 5 | 0.46 | 10.8 | 0.0417 | 40 | ≧87 | a | 1 | ||
28BYZ-A01 | 15 | 2 | 24 | 0.16 | 150 | 85 | 0.0417 | 65 | ≧12 | a | 2 | |
35BY16Z | 7.5 | 2 | 9 | 0.5(constant) | 7.7 | 8.1 | 0.0167 | 35 | ≧14 | UL1332 24# | a | 3 |
35YC25Z-A02 | 7.5 | 2 | 12 | 0.6(constant) | 11 | 8.2 | 0.0254 | 100 | ≧5.3 | UL1061 28# | a | 4 |
35BYZ-B01F | 7.5 | 4 | 5 | 0.46 | 11 | 0.0254 | 40 | ≧75 | UL1061 28# | c | 5 | |
57BYZ-B022 | 7.5 | 4 | 12 | 0.67 | 18 | 18.7 | 0.0254 | 90 | ≧130 | UL1007 26# | c | 6 |
该款电机可以根据客户需求定制。
The motor can be designed &manufactured with customized request.



Copyright 2023 版权所有 江苏富兴电机技术股份有限公司